三相整流桥电路图如何画,ASEMI工程师手把手教学
摘要 : 三相整流桥的作用也是将交流电流装换成直流电流,那么与单相整流桥的区别是采用6颗芯片的结构,可以完成对三相交流电的整流工作。三相整流桥电路图根据芯片的不用有几种画法,
?
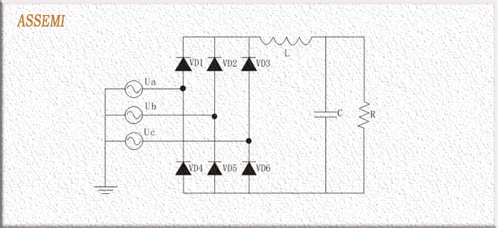
ASEMI工程师根据多年究研整流桥的经验得出结论,三相整流桥电路图根据芯片的不用有几种画法,如晶闸管与普通二极管芯片的符号区别,但基本电路结构均是一样的。如下图所示:采用这种二极管符号的电路图,表明该芯片是采用的普通整流二极管芯片。其中VD1、VD2与VD3等三颗芯片共阴极连接,VD4、VD5与VD6等三颗芯片共阳极连接,VD1/VD4、VD2/VD5与VD3/VD6之间阴阳对接并用导向引出作为交流输入端。

另外,重要的一点是共阴级组对接负载电器的输入端,共阳极组对接负载电器的输出端形成回路。同单相整流桥电路图一样需要注意的是6颗二极管芯片极性不能错误放置,否则电路一样不能正常工作。三相整流桥是工业用电器必备的整流器件,它的设计原理是集成了6颗整流二极管芯片的三相桥式整流电路。
上述就是三相整流桥电路图的介绍,ASEMI品牌12年专注整流桥领域,供
应高品质性能系列整流桥产品,ASEMI工程详解三相整流
桥电路图画法与工作原理,值得您点赞。
ASEMI官方 24小时 技术咨询服务热线:400-9929-667;
如果您对采购ASEMI品牌元器件有意向,请联系我们的企业QQ咨询:800023533。
上一篇:【ASEMI】完整的流桥电路图,走过路过不敢错过!2016-08-17
下一篇:半波整流桥电路图,ASEMI工程师来教您2016-08-17
【推荐阅读】:
责任编辑:鼎芯
版权所有:http://www.asemi360.com 转载请注明出处
| 我要评论: | |
| *内 容: |
|
| 验证码: |
|
鼎芯实业(深圳)有限公司
公司电话:400-9929-667
市场部电话:0755-82812525
销售一部:0755-83235680
销售二部:0755-83239557
销售三部:0755-83239588
公司传真:0755-83979773
企业邮箱:sales@asemi88.com
公司地址:深圳市福田区福虹路9号世贸广场A座38层南区

共有-条评论